开心彩

欢迎来到艾思捷传动技术(上海)有限公司官方网站!

艾思捷传动技术(上海)有限公司

让传动更高效、更可靠专注12#锡青铜蜗轮减速机研发生产

技术热线181-3611-8455
扫一扫加微信扫一扫加微信

常见问题

您的当前位置:首页 > 新闻资讯 > 常见问题

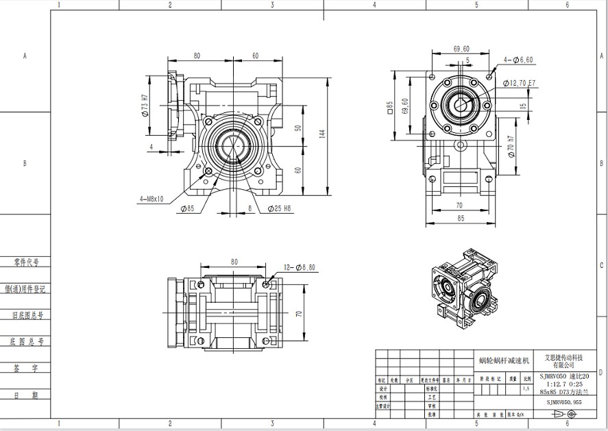
蜗轮减速机RV050速比20比型号安装尺寸图纸

返回列表 来源:艾思捷 查看手机网址
扫一扫!蜗轮减速机RV050速比20比型号安装尺寸图纸扫一扫!
浏览:- 发布日期:2023-07-28 10:48:04【

    蜗轮减速机作为现在市场上很多设备都会使用到的一款驱动动力设备,具有产品多样化、多功能化的特点,其自带自锁功能为很多设备厂家所选用。日常所用型号也较多,可按设备要求所选型。

  以下为客户选用的RV050速比20比的型号的安装尺寸图纸,大家在平常的选型过程中可借鉴使用。

蜗轮减速机RV050 速比20比型号安装尺寸图纸.jpg

艾思捷中国严格遵循意大利SSJ的质量标准,中国工厂采用高端制造工艺和测试平台,确保了质量标准的一致性。生产厂址在浙江德清,欢迎各合作伙伴到厂考察。厂家咨询电话:尹经理 13262846677.