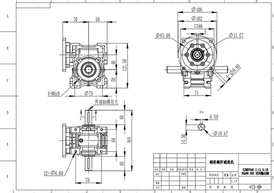
蜗轮减速机双向输出轴,是不是有在找这个款的减速机,这不,图纸技术就出给我了。作为减速机厂家,很多时候是要按照客户的具体要求来设计生产的。在标准的减速机基础之上进行改造。
例如这款SJMRVO40双向输出轴减速机,就是客户应用在输送设备上的。采用这款蜗轮减速机,双向输出能够很好的联接在设备,当电机运行就会带动减速机的双轴运行,在使用过程中运行平稳。
这款SJMRVO40双向输出轴减速机外壳采用的是铝合金材质,安装方式任意安装都行。内部蜗轮采用的是耐磨的CuSn12Ni2锡青铜,使用中更耐用。
艾思捷欢迎广大客户来电咨询,
-定制热线: 盛工 18116258006


