双曲面减速机是艾思捷最新生产的新一代实用性产品,很多客户在使用过程中给予了好评,例如我们这客户常用的KM502系列,应用在自动化设备中运行平稳。
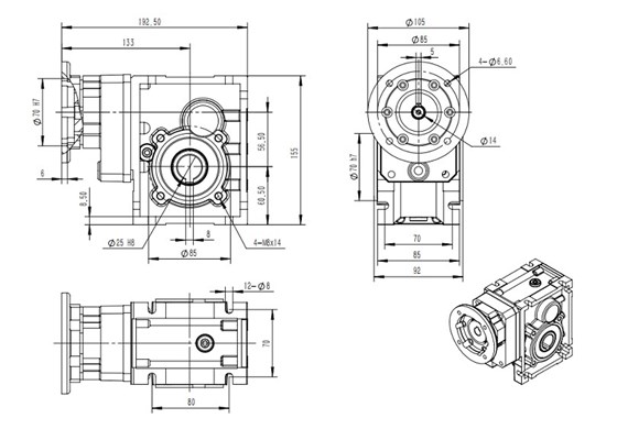
艾思捷双曲面减速机KM502-30-70B14 I:14 O:25安装尺寸图纸:
生产实物如下:

那么艾思捷双曲面减速机在实际应用中有什么特点呢?技术整理了一下,可查看。
1、双曲面减速机传动,传动速比大;
2、准双曲减速电机的运行过程中,齿轮啮合平稳,不易产生异常负载,因此寿命长,故障率低。
3、优质铝合金铸造,重量轻,防锈性能高;
4、SJKM系列准双曲面减速机与NMRV系列蜗轮蜗杆减速机安装尺寸完全兼容;
5、相对精度高:相对于其他传动方式的电机,准双曲减速电机在精度上有一定优势,可实现更高的位置和转角控制。
艾思捷欢迎广大客户来电咨询,
-定制热线: 盛工 18116258006


