艾思捷

服务热线181-3611-8455

首页 技术资讯

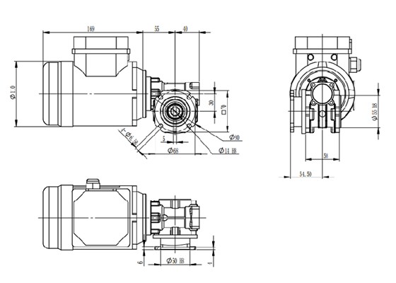
艾思捷蜗轮减速机SJMFV030+0.09KW安装尺寸图纸艾思捷 2024.11.13


艾思捷减速机专注行业蜗轮减速机非标减速机定制生产供应,SJMFV系列减速机是我司在标准的蜗轮减速机设计之上改善设计的一款半圆形蜗轮减速机,主要用于输送设备、锂电池输送设备、包装设备等等。
SJMFV030减速机常用数比型号:SJMFV030-5SJMFV030-7.5SJMFV030-10SJMFV030-50、SJMFV030-60、SJMFV030-80、SJMFV030-100,外壳采用的是铝合金材质安装方式任意安装都行。内部蜗轮采用的是耐磨的CuSn12Ni2锡青铜,使用中更耐用。

艾思捷SJMFV030+0.09KW蜗轮减速机外形图纸如下:

艾思捷蜗轮减速机SJMFV030+0.09KW安装尺寸图纸.png

艾思捷欢迎广大客户来电咨询,

-定制热线: 盛工 18116258006