产品介绍
MRV系列:产品规格025-110,传动比单级7.5-100;双极300-5000;输入功率006-15KW,输出扭矩7-2680N.M。共22000余种不同的规格,传动比,联接合安装方式可供选用,满足用户各种需求。
性能特点
● 安装简易、灵活轻捷、性能优越、易于维护检修
● 传动速比大、扭矩大、承受过载能力高
●开心彩 运行平稳、噪音小、经久耐用
●开心彩 适用性强、安全可靠性大
● 热交换性能好,散热快
● 机械结构紧凑、体积轻巧、小型高效
选型参数
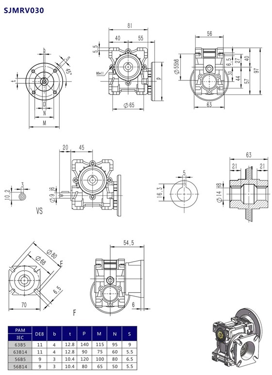
产品图纸


