开心彩

欢迎来到艾思捷传动技术(上海)有限公司官方网站!

艾思捷传动技术(上海)有限公司

让传动更高效、更可靠专注12#锡青铜蜗轮减速机研发生产

技术热线181-3611-8455
扫一扫加微信扫一扫加微信

耐高低温蜗轮蜗杆减速机

您的当前位置:首页 > 艾思捷产品中心 > 按输入电机分 > 耐高低温蜗轮蜗杆减速机

  • 耐高低温蜗轮蜗杆减速机
1/1

上一张

下一张

耐高低温蜗轮蜗杆减速机

介绍:耐高低温蜗轮蜗杆减速机,相比普通RV减速机系列来说,耐高低温是其特有的性能。配套的是高温或低温电机,安装更为方便,互换性更好。电机配置功率0.25KW、0.37KW、0.55KW、0.75KW等,也可以根据客户的需求进行多型号...
咨询热线 咨询热线181-3611-8455

产品介绍

开心彩 耐高低温蜗轮蜗杆减速机,相比普通RV减速机系列来说,耐高低温是其特有的性能。配套的是高温或低温电机,安装更为方便,互换性更好。电机配置功率0.25KW、0.37KW、0.55KW、0.75KW等,也可以根据客户的需求进行多型号法兰匹配,保证减速机能平稳运行。

耐高低温蜗轮蜗杆减速机

性能特点

模块化法兰及其他组件选择,万能安装配置;

速比范围广泛,比通用机型更多速比选择;

 输入端配耐高低温电机;

机身结构紧致小巧,便于多环境安装;

开心彩 永久合成油长寿命润滑(S1润滑油,粘度320;B2润滑脂,粘度220);

开心彩 机身表面喷塑,防腐性好且美观实用;

开心彩 输入输出端油封密封,保证密封性能;

开心彩 蜗杆材质20CrMnTi渗碳淬火,硬度HRC58-62,精磨后渗碳层厚度0.25-0.45mm;

蜗轮材质QT450+GCuSn12,耐磨性好

开心彩 防护等级IP67,可适用于各种室内外使用场景及恶劣工况

产品参数

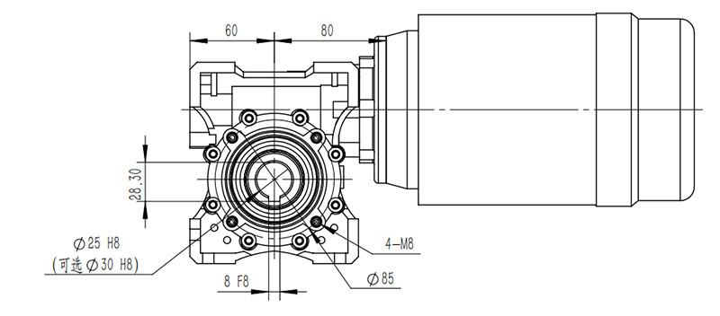
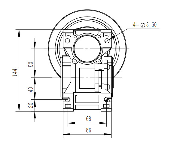
耐高低温蜗轮蜗杆减速机

耐高低温蜗轮蜗杆减速机

型号 速比 输入法兰 电机功率
050 5/7.5/10/12/15/16/20/25
30/40/50/52/60/80/100
71B14 0.25kw、0.37kw、0.55kw
80B14 0.55kw、0.75kw
型号
(Type )
速比
(i )
输出转速
(n2/r/min)
输出扭矩
(Mn2/Nm)
输出载荷
(Fr2/N )
电机型号
(Motor)
输入功率
(P1/kw )
电机长度
(/mm)
MRV050 5 280 17 1577 7134 0.55 180
280 23 1577 8024 0.75 205
7.5 187 25 1805 7134 0.55 180
187 34 1805 8024 0.75 205
10 140 22 1987 7124 0.37 180
140 32 1987 7134 0.55 180
140 44 1987 8024 0.75 205
12 117 26 2016 7124 0.37 180
117 33 2016 7134 0.55 205
117 48 2016 8024 0.75 205
15 93 31 2274 7124 0.37 180
93 46 2274 7134 0.55 180
93 63 2274 8024 0.75 205
20 70 27 2503 7114 0.25 180
70 40 2503 7124 0.37 180
70 59 2503 7134 0.55 180
70 81 2503 8024 0.75 205
MRV050 25 56 32 2696 7114 0.25 180
56 48 2696 7124 0.37 180
56 71 2696 7134 0.55 180
30 47 37 2865 7114 0.25 180
47 55 2865 7124 0.37 180
47 81 2865 7134 0.55 180
40 35 33 3153 7114 0.25 180
35 46 3153 7124 0.37 180
35 68 3153 7134 0.55 180
50 28 54 3397 7114 0.25 180
28 72 3397 7124 0.37 180
28 80 3397 7134 0.55 180
52 27 55 3482 7114 0.25 180
27 73 3482 7124 0.37 180
27 82 3482 7134 0.55 180
60 23 60 3610 7114 0.25 180
23 75 3610 7124 0.37 180
23 84 3610 7134 0.55 180
MRV050 80 18 64 3973 7114 0.25 180
18 77 3973 7124 0.37 180
18 89 3973 7134 0.55 180
100 14 68 4280 7114 0.25 180
14 79 4280 7124 0.37 180
14 93 4280 7134 0.55 180

产品展示

耐高低温蜗轮蜗杆减速机

耐高低温蜗轮蜗杆减速机

耐高低温蜗轮蜗杆减速机

我要定制:耐高低温蜗轮蜗杆减速机

  • *联系人:
  • *手机:
  • 公司名称:
  • 邮箱:
  • 电话:
  • 地址:
  • 需求备注:
  • *验证码:验证码

相关产品相关产品 / Relevant product

RV030蜗轮减速机

RV030蜗轮减速机

功率:0.06-0.25 Kw
速比:5-80
输出转数:11-560 r/min
输出扭矩:1.8-30 Nm
输出轴径...

  查看详情
RV050蜗轮减速机

RV050蜗轮减速机

功率:0.09-1.5 Kw
速比:5-100
输出转数:9-560 r/min
输出扭矩:16-121 Nm
输出轴径...

  查看详情
RV063蜗轮减速机

RV063蜗轮减速机

功率:0.09-1.5 Kw
速比:5-100
输出转数:9-560 r/min
输出扭矩:16-121 Nm
输出轴径...

  查看详情