开心彩

欢迎来到艾思捷传动技术(上海)有限公司官方网站!

艾思捷传动技术(上海)有限公司

让传动更高效、更可靠专注12#锡青铜蜗轮减速机研发生产

技术热线181-3611-8455
扫一扫加微信扫一扫加微信

技术资讯

您的当前位置:首页 > 新闻资讯 > 技术资讯

服务热线:181-3611-8455

艾思捷手摇式减速机 SJMRV050-7.5-AS手动蜗轮减速机

艾思捷手摇式减速机 SJMRV050-7.5-AS手动蜗轮减速机

蜗轮减速机一般作为传动装置的话是需要电机来带动使用,但是有些时候使用者想通过手动来操作,艾思捷手摇式减速机就是一种通过手动操作来实现减速传动的装置。2024.08.21

[ 查看详情 」
93
艾思捷技术分享:变频器的变频范围是多少?

艾思捷技术分享:变频器的变频范围是多少?

艾思捷技术分享:变频器的变频范围是多少?2024.08.15

[ 查看详情 」
100
艾思捷技术简述:RV/NRV/NMRV蜗轮减速机的区别

艾思捷技术简述:RV/NRV/NMRV蜗轮减速机的区别

艾思捷技术简述:RV/NRV/NMRV蜗轮减速机的区别2024.08.03

[ 查看详情 」
124
蜗轮减速机RV090-50-90B5法兰输入安装尺寸图纸

蜗轮减速机RV090-50-90B5法兰输入安装尺寸图纸

艾思捷RV090-50-90B5法兰输入蜗轮减速机外形图纸如下2024.07.20

[ 查看详情 」
88
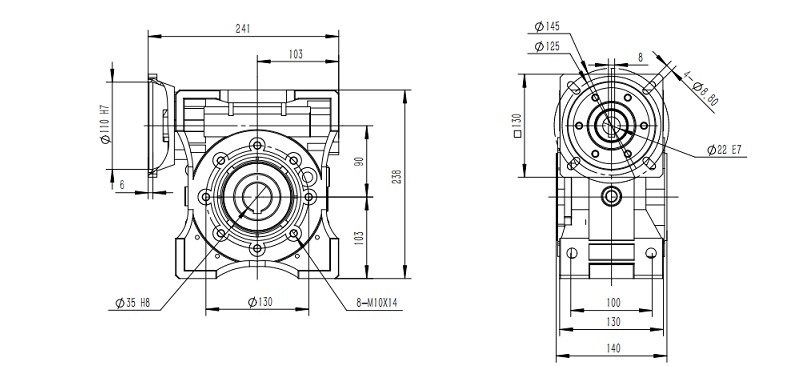
蜗轮减速机SJMRV090-130X130 D110 22孔键8尺寸图纸

蜗轮减速机SJMRV090-130X130 D110 22孔键8尺寸图纸

蜗轮减速机作为一种精密的机械传动装置,在国民经济及国防工业的各个领域,减速机产品都有这广泛的应用。例如食品行业、包装行业、自动化行业、传输行业、太阳能行业等等。蜗轮减速机也型号多样可供选择,具体实际情...2024.07.03

[ 查看详情 」
90
首页 上一页 1 2 3 4 5 6 7 8 9 10 ...> 下一页 尾页