开心彩

欢迎来到艾思捷传动技术(上海)有限公司官方网站!

艾思捷传动技术(上海)有限公司

让传动更高效、更可靠专注12#锡青铜蜗轮减速机研发生产

技术热线181-3611-8455
扫一扫加微信扫一扫加微信

技术资讯

您的当前位置:首页 > 新闻资讯 > 技术资讯

服务热线:181-3611-8455

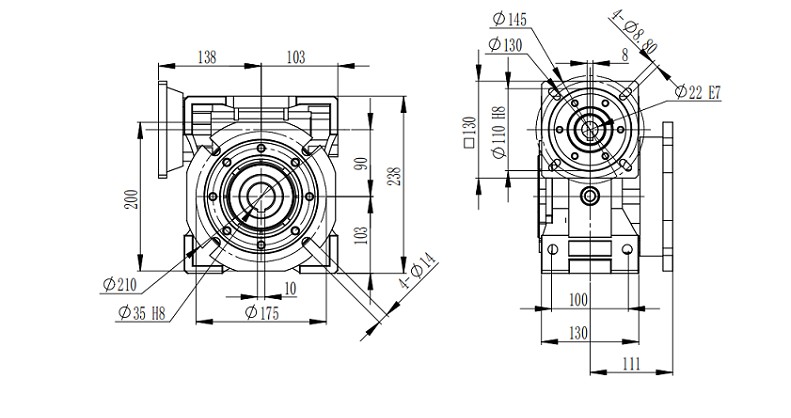
单面法兰出轴蜗轮减速机 SJMRV040-50-D50方法兰单向输出轴

单面法兰出轴蜗轮减速机 SJMRV040-50-D50方法兰单向输出轴

蜗轮减速机输出方式多样化,输出型形式分为:孔输出、单向轴输出、双向轴输出。可按实际要求采用多种安装形式,多个面均可按照.例如以下为单面法兰出轴蜗轮减速机。2024.06.29

[ 查看详情 」
89
艾思捷技术教您怎样正确安装RV蜗轮减速机?

艾思捷技术教您怎样正确安装RV蜗轮减速机?

RV蜗轮减速机作为驱动装置很多机械设备上会使用。但是很多在安装、使用的时候不规范,导致减速机的输出轴断裂,带来损失,所以一开始的正确安装是保证减速机正常运行的重要环节。今天艾思捷技术教您怎么样正确安装RV...2024.06.27

[ 查看详情 」
92
艾思捷SJMRV030-30蜗轮蜗杆减速机安装尺寸图纸

艾思捷SJMRV030-30蜗轮蜗杆减速机安装尺寸图纸

艾思捷SJMRV030-30蜗轮蜗杆减速机安装尺寸图纸2024.06.08

[ 查看详情 」
87
艾思捷技术带你探究一下变频刹车电机过热的原因?

艾思捷技术带你探究一下变频刹车电机过热的原因?

艾思捷技术带你探究一下变频刹车电机过热的原因?2024.05.29

[ 查看详情 」
91
艾思捷SJMRV090-80比蜗轮减速机安装尺寸图纸

艾思捷SJMRV090-80比蜗轮减速机安装尺寸图纸

艾思捷SJMRV090-80比蜗轮减速机安装尺寸图纸2024.05.23

[ 查看详情 」
88
首页 上一页 1 2 3 4 5 6 7 8 9 10 ...> 下一页 尾页