开心彩

欢迎来到艾思捷传动技术(上海)有限公司官方网站!

艾思捷传动技术(上海)有限公司

让传动更高效、更可靠专注12#锡青铜蜗轮减速机研发生产

技术热线181-3611-8455
扫一扫加微信扫一扫加微信

技术资讯

您的当前位置:首页 > 新闻资讯 > 技术资讯

服务热线:181-3611-8455

艾思捷蜗轮减速机国际版选型样本

艾思捷蜗轮减速机国际版选型样本

艾思捷蜗轮减速机国际版选型样本2024.05.18

[ 查看详情 」
91
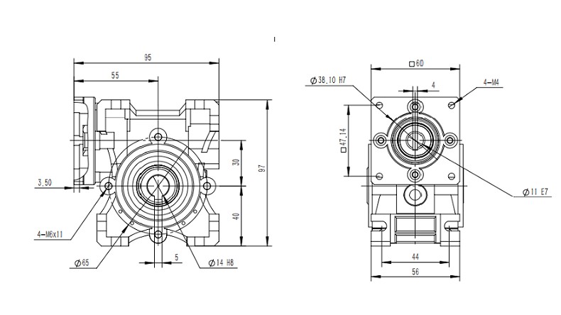
艾思捷SJMRV040-10蜗轮蜗杆减速机安装尺寸图纸

艾思捷SJMRV040-10蜗轮蜗杆减速机安装尺寸图纸

艾思捷SJMRV040-10蜗轮蜗杆减速机外形图2024.05.09

[ 查看详情 」
83
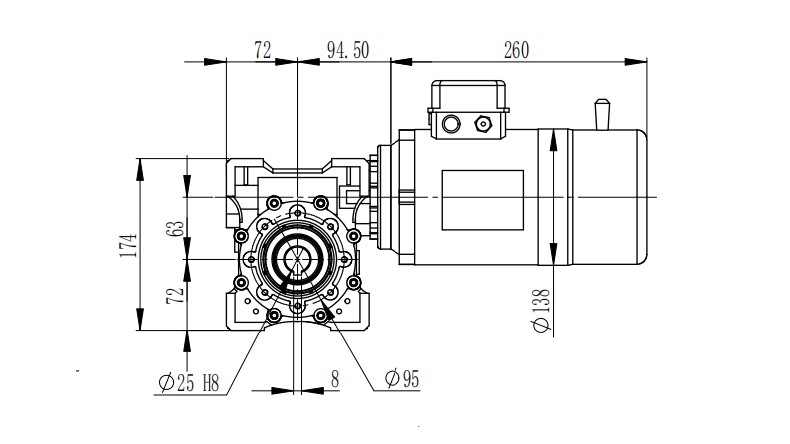
艾思捷款双曲面直角减速机SJKM050-66.67-Y0.37KW-4P-MC

艾思捷款双曲面直角减速机SJKM050-66.67-Y0.37KW-4P-MC

艾思捷款双曲面直角减速机SJKM050-66.67-Y0.37KW-4P-MC2024.04.25

[ 查看详情 」
90
艾思捷SJMRV030速比10蜗轮减速机安装尺寸图纸

艾思捷SJMRV030速比10蜗轮减速机安装尺寸图纸

艾思捷SJMRV030速比10 57*57 D38安装尺寸图纸2024.04.03

[ 查看详情 」
90
艾思捷蜗轮蜗杆减速机带刹车电机一体 SJMRV063-80-Y0.37KW-4P

艾思捷蜗轮蜗杆减速机带刹车电机一体 SJMRV063-80-Y0.37KW-4P

艾思捷蜗轮蜗杆减速机带刹车电机一体 SJMRV063-80-Y0.37KW-4P2024.03.29

[ 查看详情 」
95
首页 上一页 1 2 3 4 5 6 7 8 9 10 ...> 下一页 尾页