开心彩

欢迎来到艾思捷传动技术(上海)有限公司官方网站!

艾思捷传动技术(上海)有限公司

让传动更高效、更可靠专注12#锡青铜蜗轮减速机研发生产

技术热线181-3611-8455
扫一扫加微信扫一扫加微信

技术资讯

您的当前位置:首页 > 新闻资讯 > 技术资讯

艾思捷双曲面减速机KM502-30-70B14 I:14 O:25

返回列表 来源:艾思捷 查看手机网址
扫一扫!艾思捷双曲面减速机KM502-30-70B14  I:14  O:25扫一扫!
浏览:- 发布日期:2024-10-29 06:24:20【

 双曲面减速机是艾思捷最新生产的新一代实用性产品,很多客户在使用过程中给予了好评,例如我们这客户常用的KM502系列,应用在自动化设备中运行平稳。

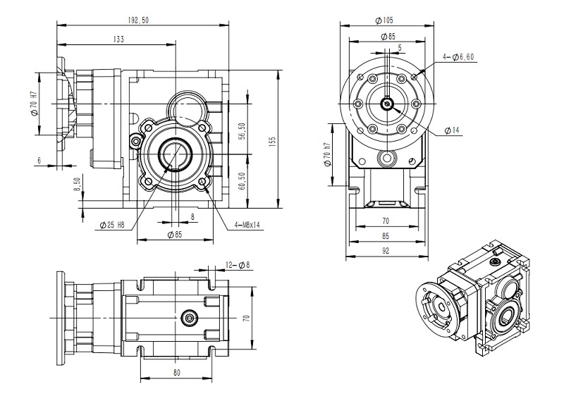
 艾思捷双曲面减速机KM502-30-70B14  I:14  O25安装尺寸图纸:

艾思捷准双曲面减速机KM502系列尺寸图纸.jpg

生产实物如下:

艾思捷准双曲面减速机KM502系列的应用---卷扬机.jpg


那么艾思捷双曲面减速机在实际应用中有什么特点呢?技术整理了一下,可查看。
1、双曲面减速机传动,传动速比大;
2准双曲减速电机的运行过程中,齿轮啮合平稳,不易产生异常负载,因此寿命长,故障率低。
3、优质铝合金铸造,重量轻,防锈性能高;
4SJKM系列准双曲面减速机与NMRV系列蜗轮蜗杆减速机安装尺寸完全兼容;
5相对精度高:相对于其他传动方式的电机,准双曲减速电机在精度上有一定优势,可实现更高的位置和转角控制。


艾思捷欢迎广大客户来电咨询,

             

             - 定制热线: 盛工 18116258006