开心彩

欢迎来到艾思捷传动技术(上海)有限公司官方网站!

艾思捷传动技术(上海)有限公司

让传动更高效、更可靠专注12#锡青铜蜗轮减速机研发生产

技术热线181-3611-8455
扫一扫加微信扫一扫加微信

技术资讯

您的当前位置:首页 > 新闻资讯 > 技术资讯

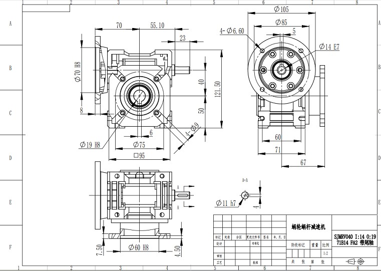
手摇减速机 SJMRV040 71B14 带尾轴输出 艾思捷供应

返回列表 来源:艾思捷 查看手机网址
扫一扫!手摇减速机 SJMRV040 71B14 带尾轴输出 艾思捷供应扫一扫!
浏览:- 发布日期:2024-12-21 05:38:10【

  减速机的运行离不开电机的驱动。但是有的时候想用手动自己操作,那么离开了电机的话怎么运行呢。那么就有一款手摇减速机可以用来手动操作达到自己设备想要的效果。那么在实际应用中,手摇减速机有什么优点呢?

   手摇减速机既然客户会选择,那么肯定会具有一些优点,那么具有哪些优点呢,小编帮大家整理了一下:

 1手摇减速机无需电力驱动:大大降低了运行成本,节能且适应性强,可以在没有电源的环境中使用。

 2、 结构简单:一般由箱体、轴、齿轮、蜗杆、轴承、端盖等配件组成,维护起来很方便。

 3、扭矩输出大:通过机械减速获得较大的扭矩输出,易于控制和操作各种手动机械。

 4、 适应性强:可以在重载、高震动、高温等恶劣环境下工作,具有较好的适应性和稳定性。

 5、 操作灵活:可以根据实际需求来进行灵活操作,不受电力或其他外部条件的限制。

 6、 反向自锁:具备反向自锁功能,在停止操作时,能够有效地保持静止状态,防止意外下滑,提高了设备的安全性和可靠性。

 7、 应用广泛:不仅可用于一般的机械传动,还可用于各种自动化设备、机器人、包装机械、印刷机械等领域。

手摇减速机 SJMRV040 71B14 带尾轴输出 艾思捷供应.jpg

所以从技术角度来说,手摇减速机可以具备反向自锁功能,在电机停止或手动停止操作时,能够有效地保持静止状态,防止意外下滑,提高了设备的安全性和可靠性。

艾思捷欢迎广大客户来电咨询,

             

              手摇减速机- 定制热线: 盛工 18116258006