开心彩

欢迎来到艾思捷传动技术(上海)有限公司官方网站!

艾思捷传动技术(上海)有限公司

让传动更高效、更可靠专注12#锡青铜蜗轮减速机研发生产

技术热线181-3611-8455
扫一扫加微信扫一扫加微信

技术资讯

您的当前位置:首页 > 新闻资讯 > 技术资讯

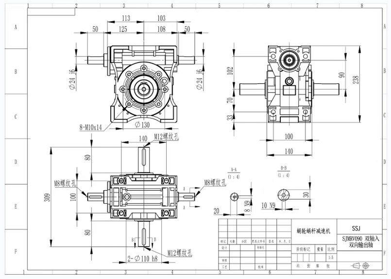
艾思捷蜗轮减速机 SJMRV090双轴入 双轴出减速机

返回列表 来源:艾思捷 查看手机网址
扫一扫!艾思捷蜗轮减速机  SJMRV090双轴入 双轴出减速机扫一扫!
浏览:- 发布日期:2024-08-23 02:36:27【

艾思捷SJMRV090双轴入 双向输出轴蜗轮减速机.jpg


艾思捷欢迎广大客户来电咨询,定制热线:盛工 18116258006