开心彩

欢迎来到艾思捷传动技术(上海)有限公司官方网站!

艾思捷传动技术(上海)有限公司

让传动更高效、更可靠专注12#锡青铜蜗轮减速机研发生产

技术热线181-3611-8455
扫一扫加微信扫一扫加微信

技术资讯

您的当前位置:首页 > 新闻资讯 > 技术资讯

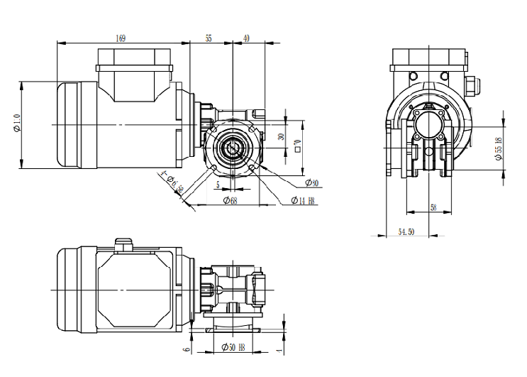
艾思捷蜗轮减速机SJMFV030+0.09KW安装尺寸图纸

返回列表 来源:艾思捷 查看手机网址
扫一扫!艾思捷蜗轮减速机SJMFV030+0.09KW安装尺寸图纸扫一扫!
浏览:- 发布日期:2024-11-13 02:14:03【


  艾思捷减速机专注行业蜗轮减速机非标减速机定制生产供应,SJMFV系列减速机是我司在标准的蜗轮减速机设计之上改善设计的一款半圆形蜗轮减速机,主要用于输送设备、锂电池输送设备、包装设备等等。
  SJMFV030减速机常用数比型号:SJMFV030-5SJMFV030-7.5SJMFV030-10SJMFV030-50、SJMFV030-60、SJMFV030-80、SJMFV030-100,外壳采用的是铝合金材质安装方式任意安装都行。内部蜗轮采用的是耐磨的CuSn12Ni2锡青铜,使用中更耐用。

 艾思捷SJMFV030+0.09KW蜗轮减速机外形图纸如下:

艾思捷蜗轮减速机SJMFV030+0.09KW安装尺寸图纸.png

艾思捷欢迎广大客户来电咨询,

             

              - 定制热线: 盛工 18116258006