开心彩

欢迎来到艾思捷传动技术(上海)有限公司官方网站!

艾思捷传动技术(上海)有限公司

让传动更高效、更可靠专注12#锡青铜蜗轮减速机研发生产

技术热线181-3611-8455
扫一扫加微信扫一扫加微信

技术资讯

您的当前位置:首页 > 新闻资讯 > 技术资讯

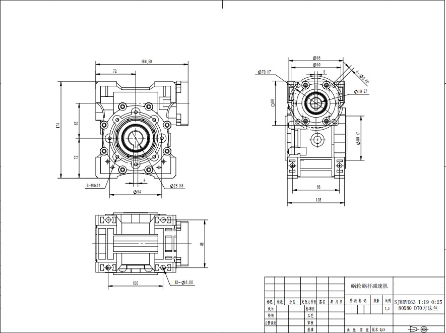
SJMRV063蜗轮蜗杆减速机图纸

返回列表 来源:艾思捷 查看手机网址
扫一扫!SJMRV063蜗轮蜗杆减速机图纸扫一扫!
浏览:- 发布日期:2023-08-24 10:32:39【

      

 SJMRV063蜗轮蜗杆减速机也可以叫作蜗轮减速机因其自带自锁的性能,得到很多设备厂家的偏爱,艾思捷专注蜗轮蜗杆减速机生产供应,功率0.06KW~11KW,数比5~100均可做,今日小编分享的是 SJMRV063蜗轮蜗杆减速机尺寸图如下:

艾思捷SJMRV063蜗轮蜗杆减速机.jpg

艾思捷SJMRV063蜗轮蜗杆减速机图纸.jpg

1、 SJMRV063蜗轮蜗杆减速机采用的优质铝合金铸造箱体,可以适应全方位的安装配置;
2、 速比范围大,均可按照设备要求来选定;
3、精密磨削加工的硬齿面传动,效率高,输出扭矩大;
4、低噪音,能够平稳的运行;
5、模快化的组合减速机的传动比拓展至:i=120~5000 

  艾思捷我们有专业的技术设计团队,可以从你的设备要求出发,提供全套的技术解决方案,生产工厂在浙江德清,欢迎进行厂区考察,也欢迎大家去进行技术交流。有关SJMRV063蜗轮蜗杆减速机的话可以咨询我司技术:电话:盛经理 18116258006.   尹经理 13262846677